DVP04AD-S2 là mô đun đầu vào tương tự (analog) nhận 4 điểm bên ngoài đầu vào tín hiệu tương tự (điện áp hoặc dòng điện) và chuyển đổi nó thành tín hiệu số 14 bit. PLC Slim như DVP10SX, DVP-12SA2, DVP14SS2, DVP28SV ,DVP12SE và các dòng PLC DVP10MC11T, DVP15MC...có thể đọc dữ liệu từ DVP04AD-S/DVP04AD-S2 hoặc ghi dữ liệu vào DVP04AD-S2 bằng lệnh FROM/TO. Có 49 CR (thanh ghi điều khiển) trong mô-đun và mỗi thanh ghi có 16 bit.
Người dùng có thể chọn đầu vào từ điện áp hoặc dòng điện thông qua hệ thống dây điện. Dải điện áp đầu vào DVP04AD-S2 là ±10VDC (độ phân giải là 1,25mV). Phạm vi đầu dòng điện là ±20mA (độ phân giải là 5μA).
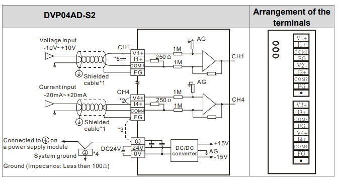
Sơ đồ đấu nối module DVP04AD-S2

Thông số kỹ thuật module DVP04AD-S2
- 04 ngõ vào analog cho mỗi 1 module
- Nguồn cấp 24VDC (20.4VDC ~ 28.8VDC) (-15% ~ +20%), 2W
- Dải đầu vào điện áp ±10V độ phân giải 14 bit, dòng điện ±20mA độ phân giải 13 bit
- Nếu các mô-đun DVP04AD-S2 được kết nối với PLC, các mô-đun này được đánh số từ 0 – 7. 0 là gần nhất và 7 là xa nhất với PLC. Mỗi 1 plc ghép 8 mô-đun là tối đa và chúng không chiếm bất kỳ điểm I/O digital nào của PLC.
- Điều kiện Vận hành: 0°C ~ 55°C (nhiệt độ), 5 ~ 95% (độ ẩm), ô nhiễm độ 2
- Bảo quản: -25°C ~ 70°C (nhiệt độ), 5 ~ 95% (độ ẩm)
- Tiêu chuẩn Chống rung/chống sốc: IEC61131-2, IEC68-2-6 (TEST Fc)/IEC61131-2 & IEC68-2-27 (TEST Ea)


Bình luận